Specialize in Manufacturing aluminum extrusion enclosure,power supply enclosure ,CNC and stamping hardware parts.
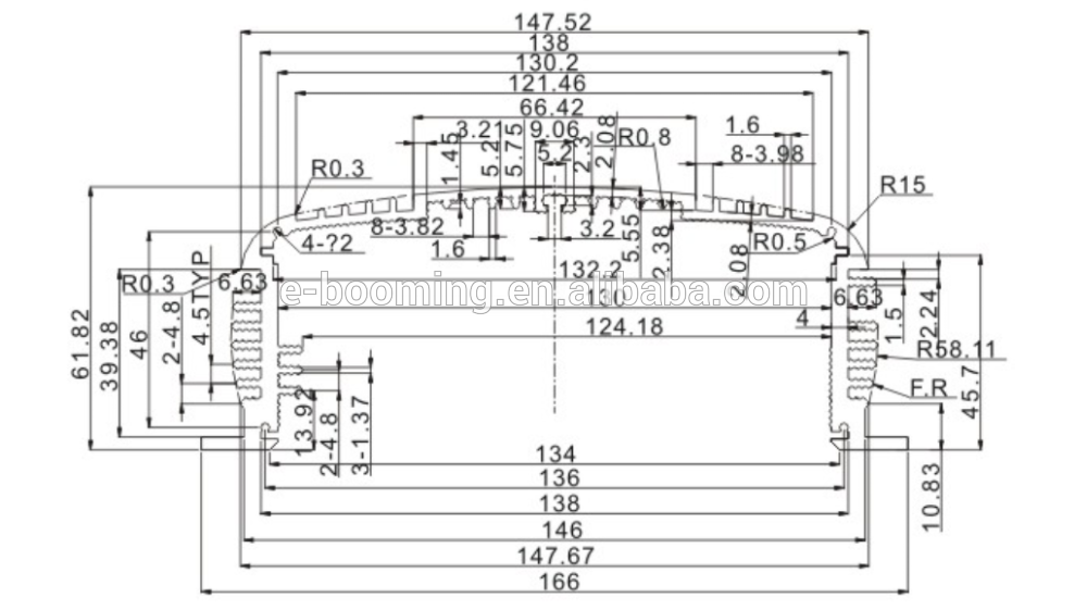
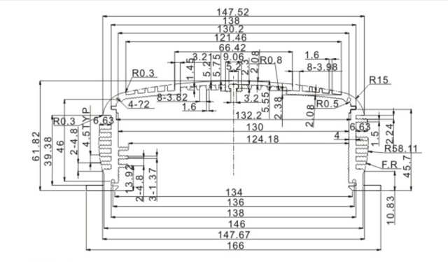
Material:Al-6063
Color: grey(Any color can choose)
Size(W*H): 166*61.8mm (Length can be customized)
Surface treatment:Anodizing,powder coating,paint,Electroplate and so on.
Logo&words: Silk screen,laser marking and so on.
Packaging & Delivery Packaging Details: 1. Standard package in Color box with sponge, EPS EPE foam or blister packing etc. 2. OEM or ODM package depends on customer' s requirements.
Delivery Detail: Samples we have in stock and orders according to the quantity.
E-Booming aluminum extrusion enclosrue basically include:MP4,Mobile power supply case ,gps case,power inverter case,repeater case,LED control case and signal-amplifier enclosure used in electronics ,telecommunictation and LED field.


Over 1000 types of different electronic aluminum extrusion enclosure.Welcome to tell us the size you need,and also the drawings from you!
Welcome to contact us for detailed specification and drawings,we will reply you in 4 hours after you send us inquiry!
What can we do for you?
We can produce fully aluminum extrusion enclosures using the standard mold and extruded components, or unique fabricated parts. OEM/ODM Also we can manufacture special enclosures with internal components and assemblies according to your drawings, specifications or samples. Processing review Cutting - bending - tapping - milling - drilling - anodizing - wet painting - powder coating - silk-screen printing - engraving - special front panels -component assembly - keypad mounting – packaging and so on.
What machine and dep. in our workshop?
Laser Cutting
CNC Punching machine
CNC Bending machine
CNC Laser cutting machine
Milling machining plant
Drilling plant
A punching line
B punching line
Cutting&bending plant
Automatic feeding plant
CNC Centra Plant
Anodizing plant
N/C lathe line
Automatic spraying plant
Automatic powder coating plant
Automatic tapping
Assembling Line
Assembling
QC Control Line
What machining process can we do for you?
Stamping-tapping-drilling-laser cutting-CNC centra-lathe machining
What surface treatment can we do for you?
Anodizing-powder coating-oil painting-polishing-silkscreen-laser marking